각종 승인서류 및 제품관련 자료를 인쇄, 다운로드 할 수 있도록 제공하고 있습니다.
- 사업자등록증/공급원승인서류
- 공장등록증
- 납세증명서/ISO 인증서
- 품질검사전문기관시험성적서
- 품질검사전문기관시험성적서[영문]
- 기술자료
- 한국산업규격표시인증서
- 시멘트 제품 시험성적서
- 친환경 건축자재 인증서
- 레미탈 MSDS
- 시멘트 MSDS
- 기타 MSDS
- 레미탈 일위대가/납품실적증명
- 인공방사능 시험성적서
- 자연방사능 시험성적서
- 환경성적표지 인증서
- 친환경 인증서(기타)
- 납품실적증명원
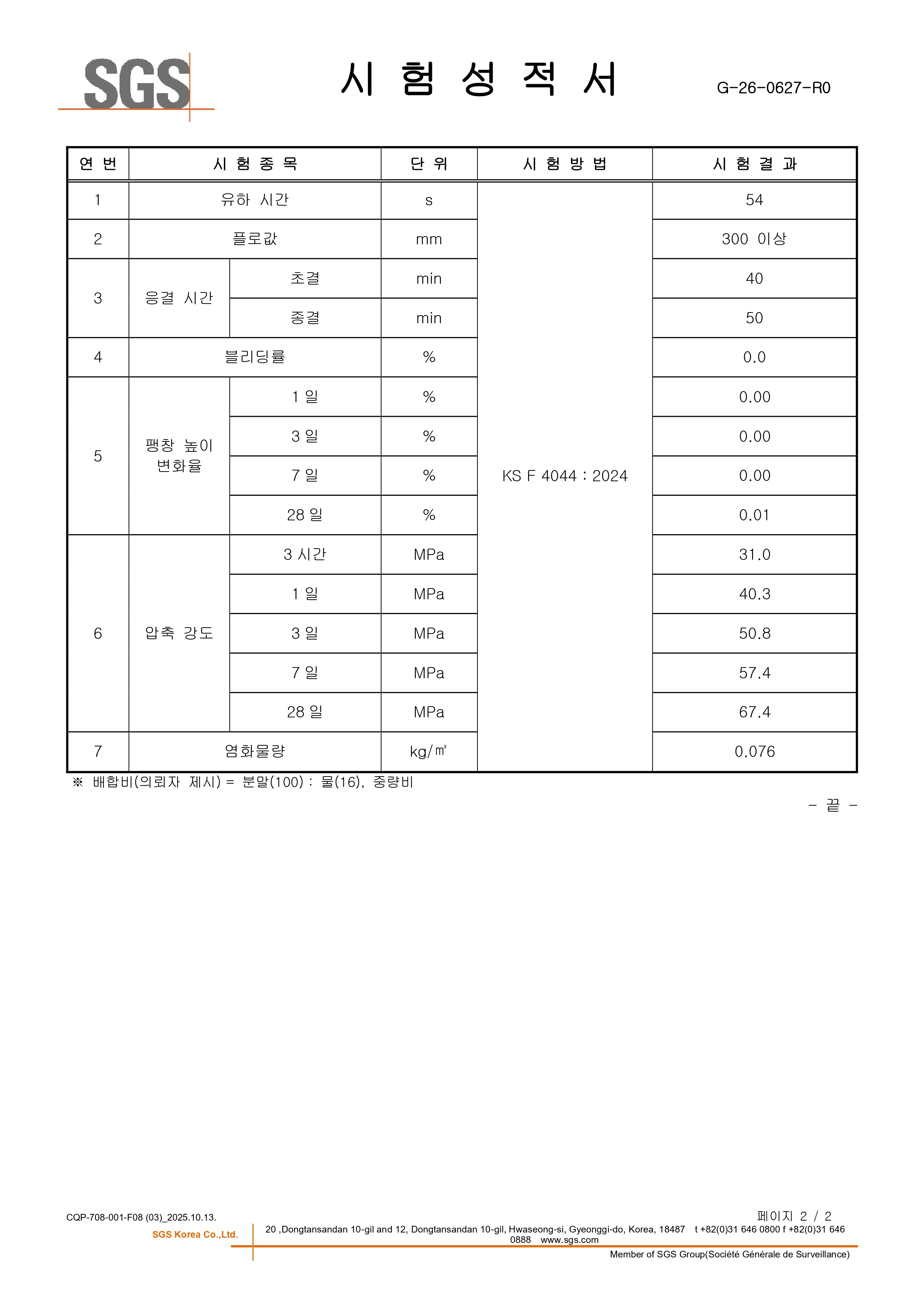
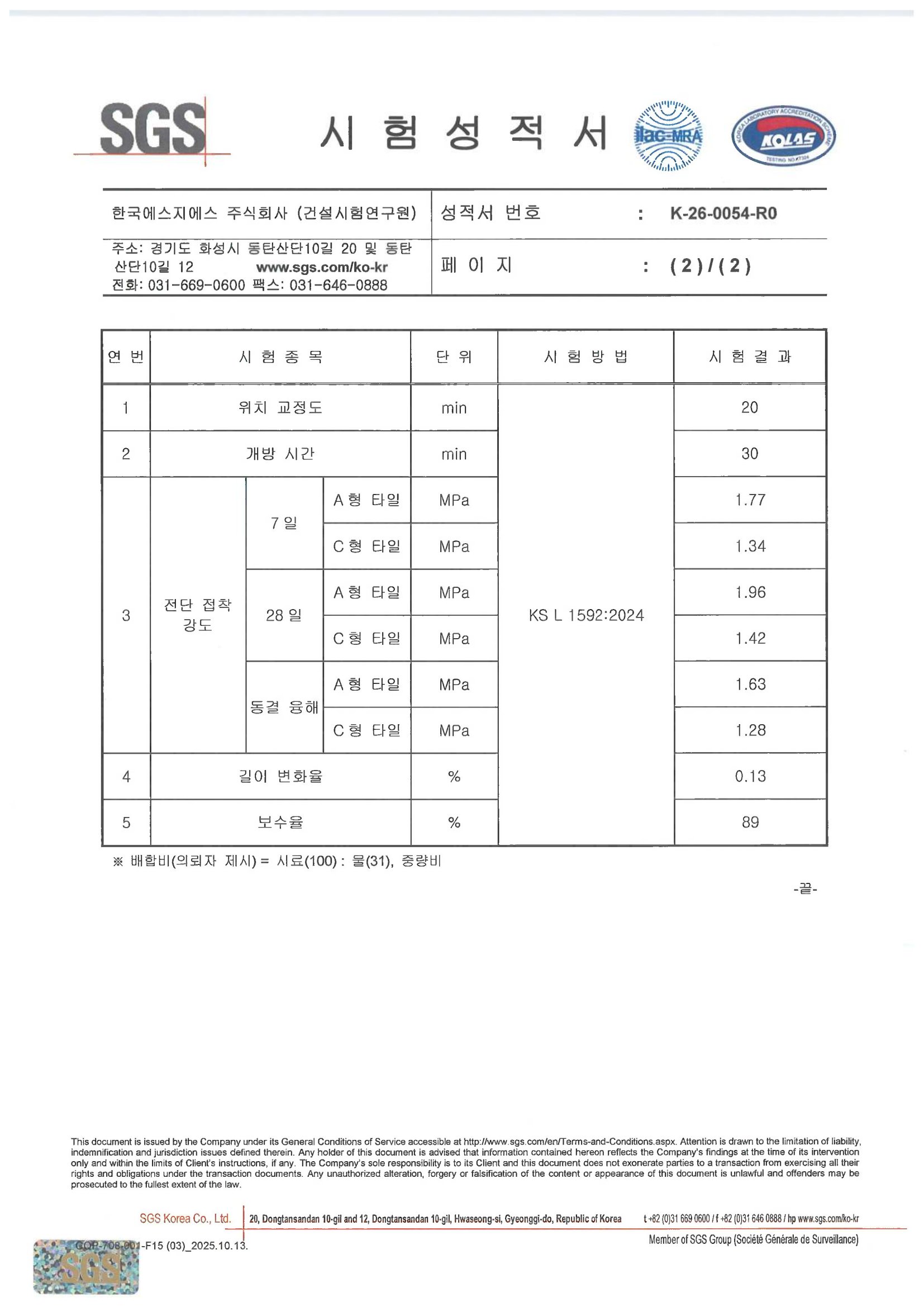
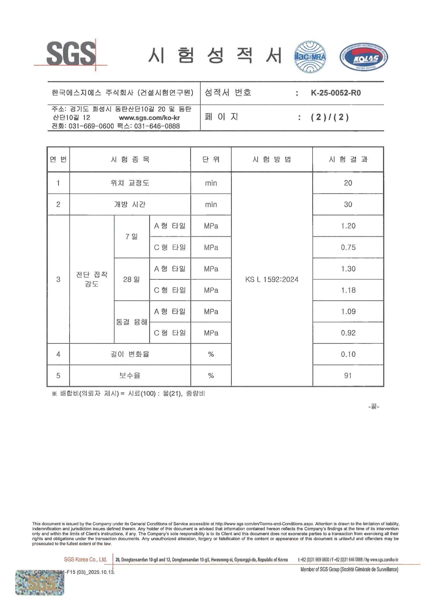
품질검사전문기관시험성적서
- AC RSP자세히 보기
- CRESS자세히 보기
- FS100(일반바닥용)자세히 보기
- FS110(고급바닥용)자세히 보기
- FS150(고강도 바닥용)(현장질기)자세히 보기
- FS150(고강도 바닥용)(KS)자세히 보기
- FS300(슬라브상부용)자세히 보기
- FS400(옥외무근대체용)자세히 보기
- FS-1000(몰탈접착 증강제)자세히 보기
- HI-바탕조정재(하이가드 바탕조정재)자세히 보기
- HI-LD모르타르(하이가드 단면복구 모르타르)자세히 보기
- REMIGUARD AC-RHD(레미가드 방청용 내구성 단면복구 모르타르)자세히 보기
- REMIGUARD AC-RSP(레미가드 방청용 내산성 단면복구 모르타르)자세히 보기
- REMIGUARD RHD(레미가드 내구성 단면복구 모르타르)자세히 보기
- GP600(수경성 시멘트 무수축 그라우트)자세히 보기
- GP400(수경성 시멘트 무수축 그라우트)자세히 보기
- Onetime-S(KS)자세히 보기
- QP600(수경성 시멘트 무수축 그라우트)자세히 보기
- QP600S(수경성 시멘트 무수축 그라우트)자세히 보기
- REMIGUARD RSP(레미가드 내산성 단면복구 모르타르)자세히 보기
- REMIGUARD SCP-B(레미가드 바탕표면 조정재)자세히 보기
- SL05(자동수평레미탈)자세히 보기
- SL05S(자동수평레미탈)자세히 보기
- SL15(자동수평레미탈)자세히 보기
- SL30(자동수평레미탈)자세히 보기
- 견출바탕용자세히 보기
- 견출용혼화제자세히 보기
- 고급탄성줄눈용자세히 보기
- 고급 바닥용자세히 보기
- 경량그라우트20자세히 보기
- 고성능 견출용자세히 보기
- 고밀도 바닥자세히 보기
- 기포용자세히 보기
- 기포용레미탈(0.4품)자세히 보기
- 기포용레미탈(0.5품)자세히 보기
- 기포용레미탈(0.6품)자세히 보기
- 백시멘트(내장, 줄눈용)자세히 보기
- 단열용(초벌용)자세히 보기
- 단열용(정벌용)자세히 보기
- 단양 - HI-CEM H (하이셈H)자세히 보기
- 단양 - 고로슬래그 미분말 (3종)자세히 보기
- 단양 - 아스팔트 포장용 채움재자세히 보기
- 단양 - 포틀랜드 시멘트 (1종)자세히 보기
- 당진- 고로슬래그 시멘트 (1종)자세히 보기
- 당진- 고로슬래그 시멘트 (2종)자세히 보기
- 당진- 고로슬래그 미분말 (3종)자세히 보기
- 도로보수제자세히 보기
- 레미프라이머(SL용)자세히 보기
- 레미프라이머(FS300용)자세히 보기
- 레미씰(발수제)자세히 보기
- 레미폴9000자세히 보기
- 레미폴5000자세히 보기
- 레미폴3000자세히 보기
- 레미픽스 17000자세히 보기
- 레미픽스 13000자세히 보기
- 레미픽스 에폭시(일반)자세히 보기
- 레미픽스 에폭시(친환경)자세히 보기
- FS500(무미장)(KS)자세히 보기
- FS500(무미장)(현장)자세히 보기
- FS100(바닥용)자세히 보기
- 방동제 골드자세히 보기
- 뿜칠미장용자세히 보기
- 삼곡 - 고로슬래그시멘트자세히 보기
- 삼곡 - 메이슨리시멘트자세히 보기
- 삼곡 - 조강형 1종 포틀랜드 시멘트자세히 보기
- 삼곡 - 포틀랜드시멘트(1종)자세히 보기
- 삼성SMD(KS)자세히 보기
- 삼성SMD(현장)자세히 보기
- 수경성 시멘트 무수축 그라우트(GP700S)자세히 보기
- 수경성 시멘트 무수축 그라우트(HP800)자세히 보기
- 슈퍼셈 4000자세히 보기
- 슈퍼텍(균열방지재)자세히 보기
- 아스팔트 프라이머 I자세히 보기
- 아스팔트프라이머 II자세히 보기
- 영월 - 콘크리트 고로슬래그미분말 (3종)자세히 보기
- 영월 - 포틀랜드시멘트자세히 보기
- Onetime자세히 보기
- Onetime-S(현장질기)자세히 보기
- 외부 견출용자세히 보기
- 일반미장용자세히 보기
- SL-Q1(자동수평레미탈-속건형)자세히 보기
- 저발열(친환경) 시멘트자세히 보기
- 점토벽돌 동시줄눈용(CBG)자세히 보기
- 조강형 저발열 시멘트자세히 보기
- 조인트 1자세히 보기
- 조적용자세히 보기
- 줄눈용1종자세히 보기
- 초속경바닥용(KS)자세히 보기
- 초속경바닥용자세히 보기
- 초속경바닥용(현장)자세히 보기
- 친환경해양시멘트자세히 보기
- CON-PATCH(콘크리트 표면보수용)자세히 보기
- CON-PATCH S/L자세히 보기
- 타일베드용자세히 보기
- 타일 압착용자세히 보기
- 타일떠붙임용자세히 보기
- 평택 - 고로슬래그시멘트(2종)자세히 보기
- 평택 - 고로슬래그미분말(3종)자세히 보기
- 평택 - 플라이애시(2종)자세히 보기
- 폴리픽스2000자세히 보기
- 폴리픽스1000자세히 보기
- 폴리픽스600(비난방)자세히 보기
- 폴리픽스600자세히 보기
- 폴리픽스300자세히 보기
- 프리미엄 미장용자세히 보기
- 하이픽스 30자세히 보기





























































































































































































